Опорная головка 140х90 HarP725A l Hairise
Hairise
HarP725A
р.
р.
Заказать
Тип: Опора
Страна-изготовитель: Китай
Наличие: Под заказ
Описание
Чертеж
Описание
Применение:
Опорная головка для ножки конвейера используется в промышленных конвейерных линиях.
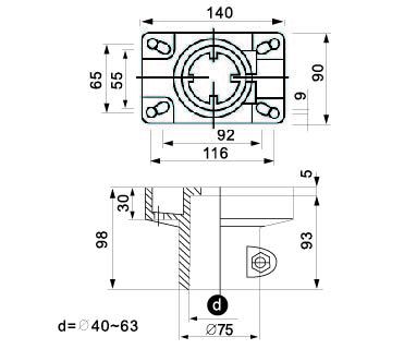
Параметры:
Длина, мм - 140;
Ширина, мм - 90;
Диаметр отверстия для труб, мм - 40-63;
Высота, мм - 98;
Материал зажима - нейлон;
Вес, гр - 370;
Чертеж
Left
Right
Телефон
Имя
Эл. почта
Комментарии
Отправить данные
Нажимая кнопку «Отправить», вы соглашаетесь
с
политикой обработки перс. данных