Ящичная цепь HarPT280 l Hairise
Hairise
р.
р.
Заказать
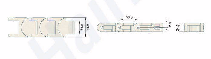
Шаг: 50 мм
Тип: Поворотная цепь
Страна-изготовитель: Китай
Наличие: Под заказ
Описание
Чертеж
Тех паспорт
Описание
Материал штифта:
нержавеющая сталь;
Толщина:
24 мм;
Шаг:
50 мм;
Радиус:
150;
Стандартная длина:
80 звеньев = 3,048 метров = 1 упаковка;
Материал/цвет:
LF (POM) - Ацеталь с низким коэффициентом трения - коричневый;
Параметры цепи:
Чертеж
Тех паспорт
Скачать технический паспорт
Left
Right
Телефон
Имя
Эл. почта
Комментарии
Отправить данные
Нажимая кнопку «Отправить», вы соглашаетесь
с
политикой обработки перс. данных